Log in
Log in

or
Create an account

or
EN
FR

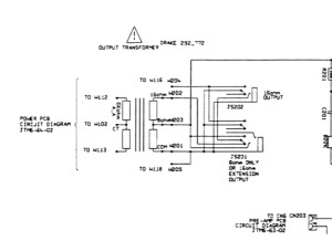
Images Marshall JTM622 [1995-1997]

(8)
Write a user review
Where to buy JTM622 [1995-1997]?
Less
No retailers are offering this product at this time.
Availability alert
There are no classified ads for this product.
New ad alert
43 images
Loading...

Photo not found

This photo has been deleted and is no longer available

Loading...

Photo not found

This photo has been deleted and is no longer available